電容式電壓互感器的特點及工作原理
時間:2021-07-06 12:12:00 閱讀: 次
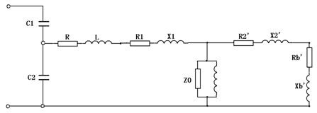
電容式電壓互感器結構上由電容分壓器和電磁單元組成,如圖4所示。

CVT結構圖與等值電路圖
電容分壓器由高壓電容C1和中壓電容C2組成,系統一次電壓經電容分壓器后產生中間電壓,中間電壓一般在10kV~20kV之間。電磁單元位于鐵殼箱體內,內部有中間變壓器T、補償電抗器L、阻尼器ZD和限壓元件組成。補償電抗器用于調整一、二次電壓間的相位關系,補償電容分壓器容抗,減小綜合內阻抗,提高CVT的負荷能力。
電容分壓器的輸出中間電壓經過一臺補償電抗器后接到中間變壓器的一次繞阻,中間變壓器將中間電壓變換為標準的二次電壓。二次繞阻通常有2~3個,1~2個為二次相電壓繞阻,(1a,1n)和(2a,2n),額定電壓為100/3V,1個為剩余電壓繞阻,(da,dn),額定電壓為100V。CVT電容分壓器電容量的標準值主要有0.02F(110kV)、0.015F(110kV)、0.01F(220kV)、0.0075F(220kV)、0.005F(330kV)、0.005F(500kV)。
版權說明:本站所有文章、圖片、視頻等資料的版權均屬于拓普聯合電力,
其他任何網站或單位未經允許禁止轉載、用于商業盈利,違者必究。如需使用,請與我們聯系;
允許轉載的文章、圖片、視頻等資料請注明出處"來自:拓普聯合電力"。